DUKA One Pro 25 S Brukerhåndbok for Wi-Fi
Ventilasjonsaggregat med varmegjenvinning

Innhold
Transport og lagring og sikkerhet
- Apparatet må beskyttes mot støt, slag og værforhold under transport.
- Enheten må oppbevares i originalemballasjen i et tørt og ventilert rom med temperaturer mellom 5 °C og 40 °C.
- Lagerrommet må ikke inneholde aggressive eller kjemiske damper eller gasser.
- Ikke utsett den lagrede enheten for trykk eller annen form for belastning.
Hvordan bruke
- Apparatet skal kun brukes til romventilasjon. Ikke koble tørketromler eller lignende utstyr til apparatet.
- Formålet med enheten er å sørge for grunnleggende ventilasjon i hjemmet.
- Apparatet må bare slås av hvis det kreves av myndighetene eller av sikkerhetsmessige årsaker - for eksempel i tilfelle brann eller lignende.
- Apparatet kan ikke brukes som varmekilde.
- Apparatet kan ikke brukes som avfukter.
- Hold eksplosivt og/eller brennbart støv/damp/væske borte fra apparatet.
- Luften til ventilasjonsaggregatet må ikke inneholde avdunsting av kjemikalier, grovt støv, sot, olje, klebemidler, fibrøst materiale, patogener
eller andre skadelige stoffer.
- Ikke blokker enhetskanalen når enheten er i drift.
- Luftstrømmen fra apparatet må ikke rettes mot åpen ild eller lignende.
Før installasjon
- Les og forstå brukerhåndboken før du installerer og bruker enheten.
- Inspiser produktet for skader på viften, kjernen, frontdekselet, elektronikken og den ytre skjermen. Det må ikke være noen fremmedlegemer
da dette kan skade enheten.
- Lagre hurtigveiledningen slik at du alltid har rask og enkel tilgang til den nyeste bruksanvisningen via QR-koden.
- Hvis enheten skifter eier, vennligst send hurtigveiledningen videre.
Montering
- Enheten er beregnet for montering i en fasadevegg.
- Pakk forsiktig ut enheten.
- Ved montering og installasjon av enheten må alle gjeldende bygnings-, elektriske og tekniske standarder følges.
- Følg alle elektriske sikkerhetsregler når du installerer enheten. Se mer hos sikkerhetsmyndighetene på www.sik.dk
- Hvis noen av ledningene til enheten blir skadet, må de skiftes ut i henhold til gjeldende forskrifter. Se mer hos Sikkerhedsstyrelsen på www.sik.dk
- Ikke sett enheten under trykk. Deformering av enheten kan føre til blokkering av motoren og for mye støy.
Drift
- Koble fra strømmen til enheten før installasjon, service, vedlikehold og reparasjon. Med unntak av filterbytte, se avsnittet om vedlikehold.
- Ikke bruk enheten utenfor det angitte temperaturområdet.
- Ikke bruk eller vedlikehold enheten, kontrolleren eller fjernkontrollen med våte hender eller bare føtter, da dette kan føre til elektrisk støt.
- Ikke la barn bruke enheten. Barn bør holdes under oppsyn slik at de ikke leker med enheten.
- Feilaktig bruk av enheten eller uautoriserte endringer er ikke tillatt.
- Apparatet skal ikke brukes av personer med reduserte fysiske, sensoriske eller mentale evner eller manglende erfaring og kunnskap, med mindre de er
har blitt overvåket eller har fått instruksjoner om bruk av apparatet av en person som er ansvarlig for deres sikkerhet.
Rengjøringstjenester
- Ikke vask enheten i vann.
- Beskytt elektriske deler mot vann.
Vilkår og betingelser for garantien
DUKA Ventilation gir 24 måneders reklamasjonsrett fra kjøpsdato, jf. kjøpsloven. I tillegg tilbyr DUKA Ventilation ytterligere 12 måneder
garantien, forutsatt at alle beskrevne krav til transport, lagring, bruk, installasjon, drift, vedlikehold og garantibestemmelser er oppfylt
overholdt.
For å opprettholde garantien må det dokumenteres at filtrene er skiftet minst én gang i året med DUKA Ventilations originalfiltre.
Ta derfor vare på kvitteringene for disse kjøpene.
Merk: Avhengig av omgivelsene kan det være nødvendig å skifte filter oftere.
Formålet med enheten er å sørge for grunnleggende ventilasjon i hjemmet.
Apparatet må bare slås av når det kreves av myndighetene eller av sikkerhetsmessige årsaker, for eksempel i tilfelle brann eller lignende.
Hvis apparatet er installert der det er fare for mugg, må apparatet rengjøres spesielt grundig for å fjerne støv og soppsporer. Dette kan være
Det er nødvendig å bruke et spesielt rengjøringsmiddel. Hvis dette ikke gjøres, bortfaller garantien.
Garantien dekker IKKE:
- Det periodiske vedlikeholdet.
- Oppsett, justering og demontering av enheten.
Garantien er ugyldig hvis:
- Informasjon om transport, lagring, bruk, installasjon, montering, drift, vedlikehold og garantibestemmelser er ikke overholdt.
- Enheten brukes eller plasseres i våtrom eller miljøer som den ikke er konstruert for.
- Enheten er slått av, og myndighetene krever ingen blokkering av uteluften.
- Det er skader forårsaket av muggsopp.
- Synlig skade har blitt påført enheten.
- Apparatet er koblet til en annen type strømnett enn det som er beskrevet i bruksanvisningen.
- Skader oppstår på grunn av spenningsvariasjoner i strømnettet.
- Det er brukt uoriginale filtre i enheten.
- Tekniske komponenter har blitt lagt til eller fjernet i enheten.
- Det er utført uautoriserte reparasjoner på enheten.
- Enheten er defekt på grunn av force majeure (lynnedslag, brann, oversvømmelse, jordskjelv osv.).
- Det kan ikke fremvises kvittering for kjøpet.
- Garantien er utløpt.
For klager, vennligst fyll ut vårt elektroniske klageskjema på: www.dukaventilation.dk/reklamation
DUKA Ventilasjon kan ikke holdes ansvarlig for garantiforpliktelser som er utført uten forutgående avtale med DUKA Ventilasjon.
For øvrige betingelser henvises det til Vink Plasts generelle salgs- og leveringsbetingelser. Den nyeste versjonen finner du alltid på våre nettsider:
www.dukaventilation.dk
Teknisk informasjon
Enheten er konstruert for innendørs bruk i temperaturer fra 1 °C til 40 °C og en relativ luftfuktighet på opptil 80 %.
Tilluft og avtrekksluft må være mellom -15 og 40 °C.
Enheten må være i kontinuerlig drift.
1TP7Klassifisering av elektriske apparater: Klasse II
IP-klassifisering: IP 24
Enheten er under konstant utvikling, og det kan derfor forekomme små variasjoner i de tekniske dataene og brukerhåndboken. Den nyeste
Dokumentasjon kan alltid finnes ved hjelp av QR-koden i den medfølgende hurtigveiledningen eller på www.dukaventilation.dk
Innhold i esken
- Frontdeksel og elektronikk (enkeltkomponent)
- Lyddemper
- 500 mm rør
- Monteringskabel
- Stormskjerm og dryppbrett
- Kjernen
- Monteringssett
- Fjernkontroll
Struktur
DUKA One-enheten består av frontdeksel, elektronikkdel, kjerne der den keramiske veksleren og motoren er plassert, lyddemper, filtre, dryppbrett,
stormskjold og vegggjennomføring. På innsiden er elektronikkseksjonen med frontdeksel. I veggen sitter vegggjennomføringen der kjernen
og lyddemperen er plassert. Filtrene er plassert i hver ende av kjernen, der de filtrerer støv og andre partikler fra luften som strømmer gjennom. På
På utsiden sitter stormskjoldet som beskytter enheten mot vind og regn.

1- Forside
Kan justeres i luftinntaket
Retning i henhold til personlige behov.
2 - 1TP7Elektronisk del
Med panel for innstilling av
enhet
3 - Lydisolering
Reduserer støy fra motoren og
Fra utsiden.
4 – Innbyggingsrør
Må ha et 3 mm utfall
slik at kondens kan renne ut
5 - Lavenergimotor og keramisk kjerne
Stillegående motor med lavt støynivå
Forbruk
Gjenvinner opptil 90% av
varmen
6 - Stormskjold
Tilgjengelig i flere farger.
7 - Dryppbeskyttelse
Reduserer dryppmerker
fra kondens

Dimensjoner
Innendørs enhet

Stormskjold

Minimum veggtykkelse for montering av DUKA One Pro 25 S Wi-Fi
Hvis veggtykkelsen er under minstekravet, anbefales det å kjøpe DUKA One Spacer.
Anbefalt avstand mellom motor og kjerne er 60 mm, da dette gir optimal varmegjenvinning.
Kjernens posisjon i forhold til veggtykkelsen:
Hulldiameter (for montering) 105-125 mm
Keramisk kjerne og motorlengde 165 mm
Minste mulige veggtykkelse 165 mm
- V = Vegg
- L = Kanalens lengde
- T = Veggtykkelse
- I = Lydisolering
- M = Motor
- K = Kjerne

Montering
1 - Bestem plassering og bor hull gjennom veggen.
Før du plasserer enheten, må du ta hensyn til følgende
Minimumsavstander til sidevegg, tak og vinduer. Minimumsavstander
er vist på tegningen.
Ikke glem å ta hensyn til strømforsyningen til enheten
når du velger et sted.
Ved installasjon i kjelleren anbefales det at DUKA One-enheten
Plasseres slik at det er minst 0,3 - 0,5 m fra undersiden
av stormskjoldet til terrenget.


2 - Plasser røret i hullet og tilpass lengden til veggtykkelsen.
Det er viktig at røret installeres med det foreskrevne fallet av
3 mm, da det sikrer at eventuell kondens renner av
bort fra de elektriske komponentene i enheten og ut til
Stormskjold.
For enkel installasjon anbefales det å bruke den medfølgende
polystyrenkiler.
Røret må ikke stikke ut mer enn 3 mm på innsiden og
5 mm på utsiden.


3 - Bruk den medfølgende malen for enkel merking av nødvendige borehull for montering og gjennomføring av skjult kabling.

4 - Fjern frontdekselet ved å trykke på knappene på toppen og bunnen.

5 - Monter elektronikken med de medfølgende skruene, og fjern den venstre dekkplaten.

6 - Koble til kablene i henhold til det elektriske diagrammet, og før dem som vist nedenfor. Husk å avlaste kablene med kabelklemmene.
A = Ledningsinngang
B = Kabelklemmer

Hvis inngang #1 brukes på toppen av enheten, må du bruke den medfølgende skapmalen som finnes i midten av monteringsmalen,
Bruk til å markere hakket. Bor ut hakket slik at dekselet enkelt kan festes og fjernes fra enheten.

7 - Etter at du har koblet til strømforsyningen til enheten, monterer du dekkplaten.

8 - Plasser kjernen i røret
Plasser kjernen i røret og skyv deretter motoren inn. Anbefalt avstand mellom kjerne og motor er 60 mm for optimal varmegjenvinning.
Se plassering av deler i avsnittet: Dimensjoner
Koble motoren til elektronikken med den grønne kontakten.

9 - Plasser lyddemperen i røret
Plasser lyddemperen i røret, og rull den slik at den passer til rørdiameteren. Forkort lyddemperen slik at den passer til veggtykkelsen med kjernen i røret mot
utvendig side. Lyddemperen er løst montert slik at den kan tas av ved vedlikehold av enheten.

10 - Monter frontdekselet

11 - Fjern dekselet til stormskjoldet før montering


12 - Monter stormskjerm med dryppbrett i plast
Det medfølgende dryppbrettet i plast må klikkes fast på baksiden av stormskjoldet. Dryppskålen sørger for at kondensvannet ledes bort fra
vegger.

13 - Monter dekselet på stormskjoldet


Hvis du ønsker stormskjoldet til din DUKA ONE i en annen farge eller design, kan du bytte det ut med en av fargene og/eller modellene nedenfor.

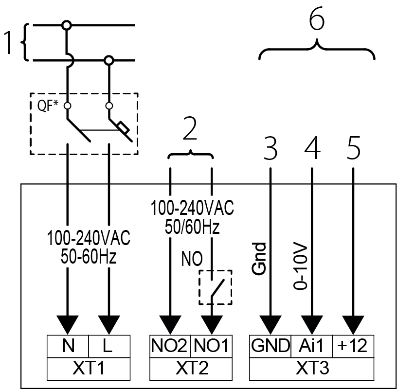
El-tilkobling
ALLE ELEKTRISKE TILKOBLINGER MÅ UTFØRES AV EN AUTORISERT ELEKTRIKER.
TILKOBLINGER SOM ER MODIFISERTE ELLER ULOVLIGE, VIL UGYLDIGGJØRE GARANTIEN PÅ PRODUKTET
FJERNET.
MERK: DET ER IKKE LOVLIG FOR PRIVATPERSONER Å UTFØRE DEN FASTE INSTALLASJONEN SELV.
SE MER HOS DEN DANSKE MYNDIGHETEN FOR SIKKERHETSTEKNOLOGI PÅ WWW.SIK.DK
Apparatet må kobles til en enfaset vekselstrømforsyning på 100-230 v / 50-60 Hz.
Apparatet må kobles til strømnettet via terminalen på kretskortet i henhold til det elektriske diagrammet nedenfor.
Det er mulig å koble en ekstern NO-bryter til enheten. Når kretsen er lukket, vil enheten starte drift på trinn III, og når kretsen brytes igjen,
vil enheten gå tilbake til den forrige hastighetsinnstillingen.
Enheten er også kompatibel med analoge sensorer med 0-10 V utgangssignal.
1 = Strømforsyning 100-240 V ~ 50/60 Hz
2 = NO-klemmer for kontrolltilkobling (spenning på NO2-klemmen aktiverer hastighet 3)
3 = Jord
4 = 0-10 V Styresignalet
5 = +12 V, maks 100 mA
6 = Tilkobling til analog sensor

Innstillinger og preferanser

Før oppstart av DUKA One-enheten må enhetens
driftsinnstillingene tilpasses dine behov. Dette gjøres via
DIP-bryterne befinner seg under dekselet til DIP-bryterne.

DIP 1 - Innstilling av enhetens rolle
DIP 2 - Standby-innstilling
Dyp 4 - Gjenopprett fabrikkinnstillingene
ON - Gjenoppretter enheten til fabrikkinnstillingene, og tilbakestiller all informasjon som er gitt til enheten i DUKA Smart-appen.
OFF - Normal posisjon.
Brukes til å gjenopprette enheten til fabrikkinnstillingene. Flytt DIP-bryter 4 til ON-stilling, vent på pipetonen. Flytt deretter DIP-bryter 4 tilbake til OFF-stilling.
Sammenkobling av enheter
Ved å koble sammen enhetene i et master/slave-forhold oppnår man synkron drift og balansert ventilasjon i boligen.
For sammenkoblede enheter er det bare masterenheten som kan styres via app, fjernkontroll eller på elektronikken. Slave-enheter vil bare svare på signalet de mottar fra masterenheten, og ignorere andre signaler.
For å parre enheter trykker du på ventilasjonsknappen på siden av den monterte enheten og holder den inne i 5 sekunder, hvorpå enheten piper og diodene på siden begynner å blinke. Dette gjøres først for masterenheten og deretter for senere monterte slaveenheter. Etter sammenkobling piper en slaveenhet, og lysdiodene slutter å blinke.
Når sammenkoblingen er fullført for alle ønskede slaveenheter, trykker du på og holder inne ventilasjonsknappen på masterenheten og venter på pipetonen, og deretter slutter LED-lampene å blinke.
MERK - Hvis du vil styre enhetene via hjemmenettverket, må det konfigureres for masterenheten FØR du sammenkobler enhetene. Enhetene kan sammenkobles innenfor det lokale nettverket.
Drift
FUNKSJON | Betjening av enheten via knappene på innendørsenheten |
Hastighet | Still inn hastighetstrinn I - II - III - standby I : Lys - Trinn I er aktivt. Blinker - Nattmodus er aktiv. I og II : Lys - Trinn II er aktivt. I, II og III : Lys - Trinn III er aktivt. Hvis alle tre indikatorene blinker, kan det skyldes følgende: Partymodus-timeren aktiveres, den innebygde fuktighetssensoren aktiveres eller en tilkoblet ekstern sensor aktiveres. Når diode I, II og III blinker vekselvis, er ukeplanen aktivert for enheten. Når enheter kobles sammen i et master/slave-forhold, styres hastigheten av masterenheten. |
Varmegjenvinningfunksjon | Enheten kjører i varmegjenvinningsmodus - 70 sekunder i tilluftsmodus og deretter 70 sekunder i avtrekksmodus. |
Ventilasjonfunksjon | Enheten kjører i ventilasjonsmodus - tilførsels- eller avtrekksmodus. Retningen avhenger av DIP-bryterens innstilling, se avsnittet Innstillinger for mer informasjon. |
Filteralarm | Filteralarmen utløses hver 90. dag når det er på tide å inspisere filtrene, som enten bør rengjøres eller skiftes ut. Se avsnittet Vedlikehold for mer informasjon. Hvis flere enheter er tilkoblet, vil masterenhetens indikator lyse konstant, mens slaven som skal overvåkes, vil ha en blinkendeindikator. Filteralarmen kan tilbakestilles ved å følge instruksjonene i avsnittet Vedlikehold. |
Alarmindikator | Indikatoren lyser eller blinker når det oppstår en feil på enheten. Hvis enhetene er koblet til hverandre, vil alle enheteneslutte å kjøre. Alarmindikatoren blinker på den defekte enheten og lyser på de andre enhetene.Hvis masterenheten mister forbindelsen til det valgte nettverket i mer enn 20 sekunder, vil alarmindikatoren blinke ogEnheten går inn i standby-modus. Slavene signaliserer manglende forbindelse til masterenheten og starter opp automatisk nårmasterenheten er slått på igjen. |
Hovedindikator | Bare masterenheten vil lyse når flere enheter er tilkoblet. Slaveenhetene vil ikke ha lys i indikatoren.Hvis indikatoren på en av slaveenhetene blinker, betyr det at det ikke er noen forbindelse til masterenheten. |
Funksjoner på frontdekselet og kontrollpanelet
Ved å klikke på bunnen, toppen eller siden av frontdekselet på enheten kan du bestemme blåseretningen.
Merk: Enheten er mest effektiv når den er åpen på alle sider.
MERK: Hvis luftstrømmen må stenges av sikkerhetsgrunner, må hele fronten lukkes og enheten slås av med jevne mellomrom.
Se mer under garantibetingelser.

Hastighet / standby
Funksjon for varmegjenvinning
Ventilasjonsfunksjon

Funksjon / knapp
Betjening av enheten med fjernkontroll
Slå på eller i standby
Slår enheten på eller setter den i standby-modus med mindre funksjonen er deaktivert via DIP-bryterinnstillinger, se avsnittet Innstillinger for mer informasjon.
Hastighet og fart
Trinn III - II - I

Varmegjenvinning
Enheten går i varmegjenvinningsmodus - 70 sekunder i tilluftmodus og deretter 70 sekunder i avtrekksmodus

Ventilasjonsmodus
Enheten kjører i ventilasjonsmodus - tilførsels- eller avtrekksmodus.
Retningen avhenger av DIP-bryterens innstilling, se avsnittet Innstillinger for mer informasjon.
Solid state:
Aktivering av hastighetstrinn III i 4 timer.
Nattmodus:
Aktivering av hastighetstrinn I i 8 timer.
Når tiden er ute, går enheten tilbake til den tidligere valgte driftsmodusen.
Funksjonen deaktiveres ved å trykke på en hvilken som helst knapp.

DUKA Smart App
DUKA Smart-appen finner du i Google Play Store eller App Store.
Konfigurer enheten i appen
Oppsettalternativer
Når DUKA Smart-appen startes for første gang, åpnes enhetslisten. Her kan du koble til enheten lokalt eller opprette en bruker og koble til et hjemmenettverk hvorfra du kan få tilgang til og styre en eller flere enheter.
MERK: Enheten kan bare kobles til hovedruterens 2,4 GHz Wi-Fi-signal.
Koble til lokalt
Ved å koble til enheten via det lokale nettverket er det bare mulig å styre enheten så lenge denne forbindelsen opprettholdes.
Hvis forbindelsen blir brutt, må den opprettes på nytt.
Slik kobler du til enhetens lokale nettverk:
1. Trykk på Universell tilkobling under enhetslisten
2. Velg produktgruppen DUKA One
3. Trykk på Velg nettverk
4. Velg nettverks-ID-en til enheten du vil koble til. Enhetens vifte-ID kan du se på utskriften under frontdekselet. Koden for enheten er som standard på åtte sifre: 11111111
5. Trykk på Koble til
Du er nå koblet til enhetens lokale nettverk, der du kan bruke den lokale tilkoblingen til å styre den spesifikke enheten og vise driftsinformasjon. For en mer detaljert beskrivelse av dette, se avsnittet Betjening.




Koble enheten til et hjemmenettverk

5. Trykk på Legg til ny i enhetslisten.
6. Trykk på DUKA One i tilkoblingsveiviseren.
7. Velg hjemmenettverket du vil koble enheten til, og skriv inn passordet for det nettverket. Trykk deretter på Neste

8. Aktiver oppsettmodus på enheten du ønsker å koble til. Dette gjøres ved å holde inne ventileringsknappen på selve DUKA One-enheten i 5 sekunder til alle diodene blinker.
9. Klik deretter Neste’
10. Velg produktgruppe DUKA One
11. Angi ønsket navn og passord for enheten
12. Trykk KLAR


- Hovedmeny
- Innstilling av hastighetstrinn
- PÅ / AV
- Innstilling for ventilasjon
- Ukentlig program
- Enhetsliste
- Innstillinger og preferanser
- Bytt til trinnløs modus
- Solid state
- Nattmodus

Ikon
Beskrivelse for aktivert ikon


Enheten er koblet til et hjemmenettverk

Boost har blitt aktivert


Alarm
Rød: Enheten er i nødstopp, kontakt DUKA Ventilation på www.dukaventilation.dk/reklamation
Gult: Batteriet har lav eller ingen spenning, se mer i avsnittet Vedlikehold


Filteralarm - Filtrene må inspiseres/byttes, se mer i avsnittet om vedlikehold


Fuktighetsnivået er over det innstilte nivået. Fuktighetssensoren er derfor aktiv

Signal fra relésensor detektert

Signal fra ekstern 0-10 V-sensor detektert

Appens hovedmeny
Du åpner hovedmenyen ved å trykke på menytegnet (tre horisontale linjer)
Drift
Betjene en tilkoblet enhet, se mer informasjon i avsnittet om betjening av enheten.
Enhetsliste
Legg til, fjern og gi nytt navn til enheter.
Konto
Endre passord, tilknyttet e-post, logge ut eller slette konto.
Språk
Still inn språket for appen.
Om appen
Les mer om våre vilkår og betingelser for personvern.


Enhetsinnstillinger i appen
Tidtakere
Still inn driftstiden for tidtakere som nattmodus, festmodus og boost.
Ukentlig program
Ukeprogrammet gir mulighet til å redusere driften til trinn I i kjente perioder når boligen ikke er bebodd.
Still inn driftshastigheten for 4 perioder i løpet av en dag.
Still inn per dag, for ukedager og helger eller for alle dager.
MERK: DUKA One-enheter må ikke stå utkoblet, les mer under garantibetingelser
Dato og klokkeslett
Still inn dato og klokkeslett for enheten.
Sensorer
Velg og fjern valg av sensorer for enheten.
Filter
Vis og tilbakestill filtertimeren.
Fabrikkinnstillinger
Gjenopprett enheten til fabrikkinnstillingene.
Wi-Fi-oppsett
Koble enheten manuelt til nettverket.
Fastvare
Vis fastvareversjonen til enheten.
Passord for enheten
Endre passordet for enheten.

Vedlikehold
HUSK Å KOBLE FRA STRØMMEN TIL ENHETEN FØR DU UTFØRER VEDLIKEHOLD!
En DUKA One-enhet må inspiseres og vedlikeholdes minst hver tredje måned. Det kan være forhold der det er nødvendig å
Inspiser enheten oftere, for eksempel i støvete, skitne eller fuktige omgivelser.
Under vedlikehold må kjernen fjernes. Kjernen rengjøres mens lyddemperen og filtrene rengjøres eller skiftes ut.
1 - Fjern frontdekselet

2 - Fjern kabelskoene
Fjern kabelskoen forsiktig fra elektronikkenheten. Bruk en flat skrutrekker til å løfte kabelskoen fri fra kabelhylsen. Ikke trekk i ledningene.

3 - Fjern kjernen og lyddemperen fra røret

4 - Rengjør filtre, kjerne og lyddemper
Filtre
Filtrene inspiseres minst hver tredje måned, og bør da rengjøres eller skiftes ut avhengig av tilstand. Skift ut filtrene med nye minst én gang i året.
originale filtre fra DUKA Ventilation. Enheten kan installeres i et miljø der det kreves kortere vedlikeholdsintervall
enn de foreskrevne minimum 3 månedene. Dette kan for eksempel være i et støvete, skittent eller fuktig miljø.
Ved installasjoner der det er fare for muggsopp, må enheten rengjøres spesielt grundig for å fjerne støv og eventuelle soppsporer helt. Den
Det kan være nødvendig å bruke et spesielt rengjøringsmiddel. Hvis du ikke gjør dette, bortfaller garantien på produktet.
Avhengig av hvor tette eller slitte filtrene er, kan de vaskes
eller støvsuges maksimalt 3 ganger.
La filtrene tørke før du setter dem inn i apparatet igjen.
Tilbakestilling av filteralarmen skjer i appen, eller ved å holde inne varmegjenvinningsknappen på siden av den monterte enheten i 5 sekunder.
Kjerne
Organiske partikler fra enhetens omgivelser kan avsettes i keramikken
eller på viften, så det er viktig å rengjøre disse delene også.
Den enkleste måten å gjøre dette på er med en støvsuger eller trykkluft. Når du bruker
trykkluft, må viften være festet slik at den ikke roterer ukontrollert.
Lyddemper
Lyddemperen bør rengjøres ved enten å støvsuge eller vaske den
Vær forsiktig. La lyddemperen tørke før du monterer den i enheten igjen.
Føring av rør
Rengjør rørene med en fuktig klut og et mildt rengjøringsmiddel.
DUKA Clean kan brukes her.
La rørene tørke før du monterer kjernen, motoren og lyddemperen på nytt.
Fjernkontroll
Etter lengre tids bruk kan det være nødvendig å skifte ut batteriet i fjernkontrollen.
Trekk batteriskuffen ut av fjernkontrollen for å skifte batteri, og sett inn et nytt batteri
Batteri.
Batteritype: CR 2025


Feil og problemløsning
Proflekk | Mulige feil | Feilsøking |
Enheten starter ikke | Strømmen er ikke tilkoblet Motoren er blokert, eller viften møter motstand | Kontroller at strømmen er koblet til enheten og at bryteren er slått på. Alternativt kan du kontrollere at enheten ikke er feil tilkoblet. Slå av enheten Sjekk om motoren er blokkert Rengjør viftebladene. Slå på enheten |
Automatisk strømbryter slår seg på | Kortslutning av det elektriske nettverket | Slå av enheten og kontakt forhandleren |
Lav tilluftstemperatur | Filtrene er tilstoppetDen keramiske kjernen er iset opp | Rengjør eller skift ut filtre Kontroller den keramiske kjernen for glasur Slå av apparatet, fjern kjernen og la iskremen smelte. |
Lav luftmengde | Enheten er på laveste trinn Filtre, vifte eller den keramiske kjernen er tilstoppet | Velg høyere hastighetstrinn Rengjør eller bytt filtre Rengjør vifte og keramisk kjerne |
Høye lydnivåer eller vibrasjoner | Rense vifte Etterstramme skruer | Rense vifte Etterstramme skruer |
Filteralarmknappen lyser fortsatt etter filterrengjøring/filterbytte | Tilbakestilling av filteralarm er ikke utført i henhold til instruksjonene. | Se avsnittet Vedlikehold |
Enheten kjører for fullt, alle hastighetsdiodene blinker og reagerer ikke på eksterne signaler | Fuktighetskontrollen i DUKA One-enheten er slått på og aktivert | Slå av DUKA One og still inn fuktighetsnivået eller slå det av via appen. Se avsnittet DUKA Smart App. |









