DUKA One Pro 50 S / SE Brugermanual
Ventilasjonsaggregat med varmegjenvinning

Innhold
Transport og lagring og sikkerhet
- Apparatet må beskyttes mot støt, slag og værforhold under transport.
- Enheten må oppbevares i originalemballasjen i et tørt og ventilert rom med temperaturer mellom 5 °C og 40 °C.
- Lagerrommet må ikke inneholde aggressive eller kjemiske damper eller gasser.
- Ikke utsett den lagrede enheten for trykk eller annen form for belastning.
Hvordan bruke
- Apparatet skal kun brukes til romventilasjon. Ikke koble tørketromler eller lignende utstyr til apparatet.
- Formålet med enheten er å sørge for grunnleggende ventilasjon i hjemmet.
- Apparatet må bare slås av hvis det kreves av myndighetene eller av sikkerhetsmessige årsaker - for eksempel i tilfelle brann eller lignende.
- Apparatet kan ikke brukes som varmekilde.
- Apparatet kan ikke brukes som avfukter.
- Hold eksplosivt og/eller brennbart støv/damp/væske borte fra apparatet.
- Luften til ventilasjonsaggregatet må ikke inneholde avdunsting av kjemikalier, grovt støv, sot, olje, klebemidler, fibrøst materiale, patogener
eller andre skadelige stoffer.
- Ikke blokker enhetskanalen når enheten er i drift.
- Luftstrømmen fra apparatet må ikke rettes mot åpen ild eller lignende.
Før installasjon
- Les og forstå brukerhåndboken før du installerer og bruker enheten.
- Inspiser produktet for skader på viften, kjernen, frontdekselet, elektronikken og den ytre skjermen. Det må ikke være noen fremmedlegemer
da dette kan skade enheten.
- Lagre hurtigveiledningen slik at du alltid har rask og enkel tilgang til den nyeste bruksanvisningen via QR-koden.
- Hvis enheten skifter eier, vennligst send hurtigveiledningen videre.
Montering
- Enheten er beregnet for montering i en fasadevegg.
- Pakk forsiktig ut enheten.
- Ved montering og installasjon av enheten må alle gjeldende bygnings-, elektriske og tekniske standarder følges.
- Følg alle elektriske sikkerhetsregler når du installerer enheten. Se mer hos sikkerhetsmyndighetene på www.sik.dk
- Hvis noen av ledningene til enheten blir skadet, må de skiftes ut i henhold til gjeldende forskrifter. Se mer hos Sikkerhedsstyrelsen på www.sik.dk
- Ikke sett enheten under trykk. Deformering av enheten kan føre til blokkering av motoren og for mye støy.
Drift
- Koble fra strømmen til enheten før installasjon, service, vedlikehold og reparasjon. Med unntak av filterbytte, se avsnittet om vedlikehold.
- Ikke bruk enheten utenfor det angitte temperaturområdet.
- Ikke bruk eller vedlikehold enheten, kontrolleren eller fjernkontrollen med våte hender eller bare føtter, da dette kan føre til elektrisk støt.
- Ikke la barn bruke enheten. Barn bør holdes under oppsyn slik at de ikke leker med enheten.
- Feilaktig bruk av enheten eller uautoriserte endringer er ikke tillatt.
- Apparatet skal ikke brukes av personer med reduserte fysiske, sensoriske eller mentale evner eller manglende erfaring og kunnskap, med mindre de er
har blitt overvåket eller har fått instruksjoner om bruk av apparatet av en person som er ansvarlig for deres sikkerhet.
Rengjøringstjenester
- Ikke vask enheten i vann.
- Beskytt elektriske deler mot vann.
Vilkår og betingelser for garantien
DUKA Ventilation gir 24 måneders reklamasjonsrett fra kjøpsdato, jf. kjøpsloven. I tillegg tilbyr DUKA Ventilation ytterligere 12 måneder
garantien, forutsatt at alle beskrevne krav til transport, lagring, bruk, installasjon, drift, vedlikehold og garantibestemmelser er oppfylt
overholdt.
For å opprettholde garantien må det dokumenteres at filtrene er skiftet minst én gang i året med DUKA Ventilations originalfiltre.
Ta derfor vare på kvitteringene for disse kjøpene.
Merk: Avhengig av omgivelsene kan det være nødvendig å skifte filter oftere.
Formålet med enheten er å sørge for grunnleggende ventilasjon i hjemmet.
Apparatet må bare slås av når det kreves av myndighetene eller av sikkerhetsmessige årsaker, for eksempel i tilfelle brann eller lignende.
Hvis apparatet er installert der det er fare for mugg, må apparatet rengjøres spesielt grundig for å fjerne støv og soppsporer. Dette kan være
Det er nødvendig å bruke et spesielt rengjøringsmiddel. Hvis dette ikke gjøres, bortfaller garantien.
Garantien dekker IKKE:
- Det periodiske vedlikeholdet.
- Oppsett, justering og demontering av enheten.
Garantien er ugyldig hvis:
- Informasjon om transport, lagring, bruk, installasjon, montering, drift, vedlikehold og garantibestemmelser er ikke overholdt.
- Enheten brukes eller plasseres i våtrom eller miljøer som den ikke er konstruert for.
- Enheten er slått av, og myndighetene krever ingen blokkering av uteluften.
- Det er skader forårsaket av muggsopp.
- Synlig skade har blitt påført enheten.
- Apparatet er koblet til en annen type strømnett enn det som er beskrevet i bruksanvisningen.
- Skader oppstår på grunn av spenningsvariasjoner i strømnettet.
- Det er brukt uoriginale filtre i enheten.
- Tekniske komponenter har blitt lagt til eller fjernet i enheten.
- Det er utført uautoriserte reparasjoner på enheten.
- Enheten er defekt på grunn av force majeure (lynnedslag, brann, oversvømmelse, jordskjelv osv.).
- Det kan ikke fremvises kvittering for kjøpet.
- Garantien er utløpt.
For klager, vennligst fyll ut vårt elektroniske klageskjema på: www.dukaventilation.dk/reklamation
DUKA Ventilasjon kan ikke holdes ansvarlig for garantiforpliktelser som er utført uten forutgående avtale med DUKA Ventilasjon.
For øvrige betingelser henvises det til Vink Plasts generelle salgs- og leveringsbetingelser. Den nyeste versjonen finner du alltid på våre nettsider:
www.dukaventilation.dk
Teknisk informasjon
Enheten er konstruert for innendørs bruk i temperaturer fra 1 °C til 40 °C og en relativ luftfuktighet på opptil 80 %.
Tilluft og avtrekksluft må være mellom -15 og 40 °C.
Enheten må være i kontinuerlig drift.
1TP7Klassifisering av elektriske apparater: Klasse II
IP-klassifisering: IP 24
Enheten er under konstant utvikling, og det kan derfor forekomme små variasjoner i de tekniske dataene og brukerhåndboken. Den nyeste
Dokumentasjon kan alltid finnes ved hjelp av QR-koden i den medfølgende hurtigveiledningen eller på www.dukaventilation.dk
Innhold i esken
- Frontdeksel og elektronikk (enkeltkomponent)
- Lyddemper
- 500 mm rør
- Monteringskabel
- Stormskjerm og dryppbrett
- Kjernen
- Monteringssett
- Fjernkontroll
Struktur
DUKA One-enheten består av frontdeksel, elektronikkdel, kjerne der den keramiske veksleren og motoren er plassert, lyddemper, filtre, dryppbrett,
stormskjold og vegggjennomføring. På innsiden er elektronikkseksjonen med frontdeksel. I veggen sitter vegggjennomføringen der kjernen
og lyddemperen er plassert. Filtrene er plassert i hver ende av kjernen, der de filtrerer støv og andre partikler fra luften som strømmer gjennom. På
På utsiden sitter stormskjoldet som beskytter enheten mot vind og regn.

1- Forside
Kan justeres i luftinntaket
Retning i henhold til personlige behov.
2 - 1TP7Elektronisk del
Med panel for innstilling av
enhet
3 - Lydisolering
Reduserer støy fra motoren og
Fra utsiden.
4 - Motorfilter
Må inspiseres og rengjøres hver
kvartalsvis og endres årlig
5 - Luftfordeler
Fordeler luften jevnt i kjernen
og gir høyere
varmegjenvinningsgrad
6 - Kjernefilter
Må inspiseres og rengjøres hver
kvartalsvis og endres årlig
7 - Lavenergimotor
Stillegående motor med lavt støynivå
Forbruk
8 - Keramisk kjerne
Gjenvinner opptil 90% av
varmen
9 - Innfelte rør
Må ha et 3 mm utfall
slik at kondens kan renne ut
10 - Stormskjermdeksel
Tilgjengelig i flere farger.
11 - Stormskjold
Tilgjengelig i flere farger.
12 - Dryppskjerm
Reduserer dryppmerker
fra kondens

Dimensjoner
Innendørs enhet

Stormskjold

Minste veggtykkelse for montering DUKA One Pro 50 S
Hvis veggtykkelsen er under minstekravet, anbefales det å kjøpe DUKA One Spacer.
Anbefalt avstand mellom motor og kjerne er 60 mm, da dette gir optimal varmegjenvinning.
Kjernens posisjon i forhold til veggtykkelsen:
Hulldiameter (for montering) 170-180 mm
Længde på keramisk kerne og motor: Pro 50 S = 300 mm / Pro 50 SE = 270 mm
Mindst mulig vægtykkelse 300 mm: Pro 50 S = 300 mm / Pro 50 SE = 270 mm
- V = Vegg
- L = Kanalens lengde
- T = Veggtykkelse
- I = Lydisolering
- M = Motor
- K = Kjerne
- A = Optimal avstand mellom kjerne og motor (60 mm)

Montering
1 - Bestem plassering og bor hull gjennom veggen.
Før du plasserer enheten, må du ta hensyn til følgende
Minimumsavstander til sidevegg, tak og vinduer. Minimumsavstander
er vist på tegningen.
Ikke glem å ta hensyn til strømforsyningen til enheten
når du velger et sted.
Ved installasjon i kjelleren anbefales det at DUKA One-enheten
Plasseres slik at det er minst 0,3 - 0,5 m fra undersiden
av stormskjoldet til terrenget.


2 - Plasser røret i hullet og tilpass lengden til veggtykkelsen.
Det er viktig at røret installeres med det foreskrevne fallet av
3 mm, da det sikrer at eventuell kondens renner av
bort fra de elektriske komponentene i enheten og ut til
Stormskjold.
For enkel installasjon anbefales det å bruke den medfølgende
polystyrenkiler.
Røret må ikke stikke ut mer enn 3 mm på innsiden og
5 mm på utsiden.


3 - Bruk den medfølgende malen for enkel merking av nødvendige borehull for montering og gjennomføring av skjult kabling.

4 - Fjern frontdekselet ved å trykke på knappene på toppen og bunnen.

5 - Monter elektronikken med de medfølgende skruene, og fjern den venstre dekkplaten.

6 - Koble til kablene i henhold til det elektriske diagrammet, og før dem som vist nedenfor. Husk å avlaste kablene med kabelklemmene.
A = Ledningsinngang
B = Kabelklemmer

Hvis inngang #1 brukes på toppen av enheten, må du bruke den medfølgende skapmalen som finnes i midten av monteringsmalen,
Bruk til å markere hakket. Bor ut hakket slik at dekselet enkelt kan festes og fjernes fra enheten.

7 - Etter at du har koblet til strømforsyningen til enheten, monterer du dekkplaten.

8 - Plasser kjernen i røret
Plasser kjernen i røret og skyv deretter motoren inn. Anbefalt avstand mellom kjerne og motor er 60 mm for optimal varmegjenvinning.
Se plassering av deler i avsnittet: Dimensjoner
Koble motoren til elektronikken med den grønne kontakten.

9 - Plasser lyddemperen i røret
Plasser lyddemperen i røret, og rull den slik at den passer til rørdiameteren. Forkort lyddemperen slik at den passer til veggtykkelsen med kjernen i røret mot
utvendig side. Lyddemperen er løst montert slik at den kan tas av ved vedlikehold av enheten.

10 - Monter frontdekselet

11 - Fjern dekselet til stormskjoldet før montering

12 - Monter stormskjerm med dryppbrett i plast
Det medfølgende dryppbrettet i plast må klikkes fast på baksiden av stormskjoldet. Dryppskålen sørger for at kondensvannet ledes bort fra
vegger.

13 - Monter dekselet på stormskjoldet

Hvis du ønsker stormskjoldet til din DUKA ONE i en annen farge eller design, kan du bytte det ut med en av fargene og/eller modellene nedenfor.

El-tilkobling
ALLE ELEKTRISKE TILKOBLINGER MÅ UTFØRES AV EN AUTORISERT ELEKTRIKER.
TILKOBLINGER SOM ER MODIFISERTE ELLER ULOVLIGE, VIL UGYLDIGGJØRE GARANTIEN PÅ PRODUKTET
FJERNET.
MERK: DET ER IKKE LOVLIG FOR PRIVATPERSONER Å UTFØRE DEN FASTE INSTALLASJONEN SELV.
SE MER HOS DEN DANSKE MYNDIGHETEN FOR SIKKERHETSTEKNOLOGI PÅ WWW.SIK.DK
Apparatet må kobles til en enfaset vekselstrømforsyning på 100-230 v / 50-60 Hz.
Apparatet må kobles til strømnettet via terminalen på kretskortet i henhold til det elektriske diagrammet nedenfor.
Det er mulig å koble en ekstern NO-bryter til enheten. Når kretsen er lukket, vil enheten starte drift på trinn III, og når kretsen brytes igjen,
vil enheten gå tilbake til den forrige hastighetsinnstillingen.
Enheten er også kompatibel med analoge sensorer med 0-10 V utgangssignal.
1 = Strømforsyning 100-240 V ~ 50/60 Hz
2 = NO-klemmer for kontrolltilkobling (spenning på NO2-klemmen aktiverer hastighet 3)
3 = Styresignal til neste enhet
4 = Styresignal fra forrige enhet

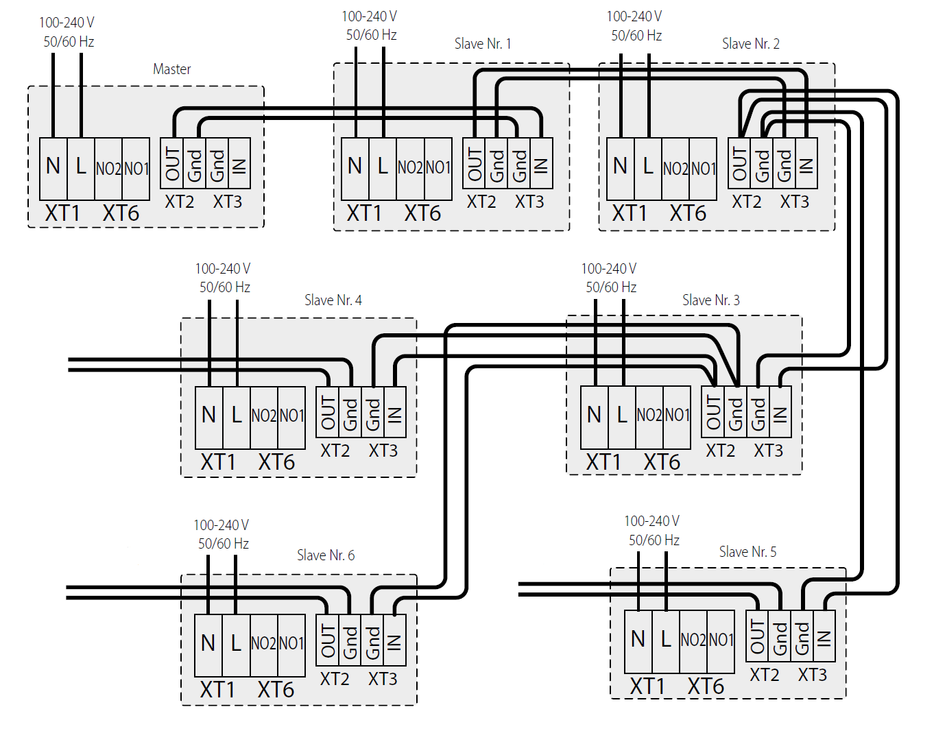
Sammenkobling av enheter
Ved å koble sammen enhetene i et master/slave-forhold oppnår man synkron drift og balansert ventilasjon i boligen.
Det anbefales at det brukes 0,25 mm² kabel for sammenkobling, og at kablingen ikke overstiger 200 meter mellom enhetene.
Det er ikke mulig å ha flere hovedenheter i samme tilkobling. Enhetene må kobles til i henhold til de elektriske diagrammene nedenfor.
For sammenkoblede enheter er det bare masterenheten som kan styres via fjernkontroll eller på elektronikken. Slaveenheter vil bare
reagerer på signalet de mottar fra masteren og ignorerer andre signaler.
El-diagram for mulig sammenkobling av enheter
Når flere enheter kobles sammen i et master/slave-forhold, må masterens XT2-terminal kobles til slavens XT3-terminal.
Det samme gjelder for påfølgende enheter i serien. Det er bare mulig å ha én masterenhet når flere enheter kobles sammen.
Den skiller seg ut ved at den ikke har noen forbindelse til terminal XT3.
El-diagram for mulig sammenkobling av enheter

Innstillinger og preferanser

Før oppstart av DUKA One-enheten må enhetens
driftsinnstillingene tilpasses dine behov. Dette gjøres via
DIP-bryterne befinner seg under dekselet til DIP-bryterne.
DIP 1 - Standby-innstilling
ON - Apparatet kan ikke slås av og vil fungere på trinn I i standby-modus.
OFF - Apparatet kan slås av og settes i standby-modus, brukes hvis du ikke ønsker at apparatet skal settes i standby-modus. Det vil kun være mulig å veksle mellom trinn I, II og III på elektronikken og med fjernkontrollen.
DIP 2 - Innstilling av enhetens retning
OFF - Enheten starter driften med avtrekk og trekker ut luft i ventilasjonsmodus.
ON - Enheten starter drift med tilluft og blåser luft i ventilasjonsmodus.
Hvis du bruker flere enheter, anbefales det å stille inn enhetene parvis. Sett halvparten av enhetene til ’ON’ og den andre halvparten til ’OFF’. Denne innstillingen sikrer
Balansert ventilasjon.
Dip 3,4,5 - Innstilling av fuktighetssensoren

Når luftfuktigheten overskrider det valgte luftfuktighetsnivået, vil enheten gå over til tvungen drift på trinn III. Når luftfuktigheten igjen er under det innstilte nivået, vil enheten gå tilbake til
til den forrige driftsinnstillingen.
DIP 6,7 - Justering av etterløp

Etterløpstimeren brukes sammen med fuktighetssensoren. Når fuktsensoren aktiveres og den økte ventilasjonen senker luftfuktigheten til det valgte nivået, aktiveres enhetens etterløpstimer med det valgte tidsintervallet. Når etterløpstiden er utløpt, går enheten tilbake til den forrige driftsinnstillingen.
DIP 8 - Tilbakestilling av enhet / Tilbakestilling av filteralarm
ON - Tilbakestilling av filter (settes tilbake til standardposisjon/av etter 3 sekunder)
Off - Standard posisjon / Av.
Drift
FUNKSJON | Betjening av enheten via knappene på innendørsenheten |
Hastighet | Still inn hastighetstrinn I - II - III - standby I : Lys - Trinn I er aktivt. Blinker - Nattmodus er aktiv. I og II : Lys - Trinn II er aktivt. I, II og III : Lys - Trinn III er aktivt. Hvis alle tre indikatorene blinker, kan det skyldes følgende: Partymodus-timeren aktiveres, den innebygde fuktighetssensoren aktiveres eller en tilkoblet ekstern sensor aktiveres. Når diode I, II og III blinker vekselvis, er ukeplanen aktivert for enheten. Når enheter kobles sammen i et master/slave-forhold, styres hastigheten av masterenheten. |
Varmegjenvinningfunksjon | Enheten kjører i varmegjenvinningsmodus - 70 sekunder i tilluftsmodus og deretter 70 sekunder i avtrekksmodus. |
Ventilasjonfunksjon | Enheten kjører i ventilasjonsmodus - tilførsels- eller avtrekksmodus. Retningen avhenger av DIP-bryterens innstilling, se avsnittet Innstillinger for mer informasjon. |
Filteralarm | Filteralarmen utløses hver 90. dag når det er på tide å inspisere filtrene, som enten bør rengjøres eller skiftes ut. Se avsnittet Vedlikehold for mer informasjon. Hvis flere enheter er tilkoblet, vil masterenhetens indikator lyse konstant, mens slaven som skal overvåkes, vil ha en blinkendeindikator. Filteralarmen kan tilbakestilles ved å følge instruksjonene i avsnittet Vedlikehold. |
Alarmindikator | Indikatoren lyser eller blinker når det oppstår en feil på enheten. Hvis enhetene er koblet til hverandre, vil alle enheteneslutte å kjøre. Alarmindikatoren blinker på den defekte enheten og lyser på de andre enhetene.Hvis masterenheten mister forbindelsen til det valgte nettverket i mer enn 20 sekunder, vil alarmindikatoren blinke ogEnheten går inn i standby-modus. Slavene signaliserer manglende forbindelse til masterenheten og starter opp automatisk nårmasterenheten er slått på igjen. |
Hovedindikator | Bare masterenheten vil lyse når flere enheter er tilkoblet. Slaveenhetene vil ikke ha lys i indikatoren.Hvis indikatoren på en av slaveenhetene blinker, betyr det at det ikke er noen forbindelse til masterenheten. |
Funksjoner på frontdekselet og kontrollpanelet
Ved å klikke på bunnen, toppen eller siden av frontdekselet på enheten kan du bestemme blåseretningen.
Merk: Enheten er mest effektiv når den er åpen på alle sider.
MERK: Hvis luftstrømmen må stenges av sikkerhetsgrunner, må hele fronten lukkes og enheten slås av med jevne mellomrom.
Se mer under garantibetingelser.

Hastighet / standby
Funksjon for varmegjenvinning
Ventilasjonsfunksjon

Funksjon / knapp
Betjening av enheten med fjernkontroll
Slå på eller i standby
Slår enheten på eller setter den i standby-modus med mindre funksjonen er deaktivert via DIP-bryterinnstillinger, se avsnittet Innstillinger for mer informasjon.
Hastighet og fart
Trinn III - II - I

Varmegjenvinning
Enheten går i varmegjenvinningsmodus - 70 sekunder i tilluftmodus og deretter 70 sekunder i avtrekksmodus

Ventilasjonsmodus
Enheten kjører i ventilasjonsmodus - tilførsels- eller avtrekksmodus.
Retningen avhenger av DIP-bryterens innstilling, se avsnittet Innstillinger for mer informasjon.
Solid state:
Aktivering av hastighetstrinn III i 4 timer.
Nattmodus:
Aktivering av hastighetstrinn I i 8 timer.
Når tiden er ute, går enheten tilbake til den tidligere valgte driftsmodusen.
Funksjonen deaktiveres ved å trykke på en hvilken som helst knapp.

Vedlikehold
HUSK Å KOBLE FRA STRØMMEN TIL ENHETEN FØR DU UTFØRER VEDLIKEHOLD!
En DUKA One-enhet må inspiseres og vedlikeholdes minst hver tredje måned. Det kan være forhold der det er nødvendig å
Inspiser enheten oftere, for eksempel i støvete, skitne eller fuktige omgivelser.
Under vedlikehold må kjernen fjernes. Kjernen rengjøres mens lyddemperen og filtrene rengjøres eller skiftes ut.
1 - Fjern frontdekselet

2 - Fjern kabelskoene
Fjern kabelskoen forsiktig fra elektronikkenheten. Bruk en flat skrutrekker til å løfte kabelskoen fri fra kabelhylsen. Ikke trekk i ledningene.

3 - Fjern kjernen og lyddemperen fra røret

4 - Rengjør filtre, kjerne og lyddemper
Filtre
Filtrene inspiseres minst hver tredje måned, og bør da rengjøres eller skiftes ut avhengig av tilstand. Skift ut filtrene med nye minst én gang i året.
originale filtre fra DUKA Ventilation. Enheten kan installeres i et miljø der det kreves kortere vedlikeholdsintervall
enn de foreskrevne minimum 3 månedene. Dette kan for eksempel være i et støvete, skittent eller fuktig miljø.
Ved installasjoner der det er fare for muggsopp, må enheten rengjøres spesielt grundig for å fjerne støv og eventuelle soppsporer helt. Den
Det kan være nødvendig å bruke et spesielt rengjøringsmiddel. Hvis du ikke gjør dette, bortfaller garantien på produktet.
Avhengig av hvor tette eller slitte filtrene er, kan de vaskes
eller støvsuges maksimalt 3 ganger.
La filtrene tørke før du setter dem inn i apparatet igjen.
For å tilbakestille filteralarmen, flytt DIP-bryter 8 til ON-stilling i
i minst 3 sekunder og deretter til OFF.
Kjerne
Organiske partikler fra enhetens omgivelser kan avsettes i keramikken
eller på viften, så det er viktig å rengjøre disse delene også.
Den enkleste måten å gjøre dette på er med en støvsuger eller trykkluft. Når du bruker
trykkluft, må viften være festet slik at den ikke roterer ukontrollert.
Lyddemper
Lyddemperen bør rengjøres ved enten å støvsuge eller vaske den
Vær forsiktig. La lyddemperen tørke før du monterer den i enheten igjen.
Føring av rør
Rengjør rørene med en fuktig klut og et mildt rengjøringsmiddel.
DUKA Clean kan brukes her.
La rørene tørke før du monterer kjernen, motoren og lyddemperen på nytt.
Fjernkontroll
Etter lengre tids bruk kan det være nødvendig å skifte ut batteriet i fjernkontrollen.
Trekk batteriskuffen ut av fjernkontrollen for å skifte batteri, og sett inn et nytt batteri
Batteri.
Batteritype: CR 2025


Feil og problemløsning
Proflekk | Mulige feil | Feilsøking |
Enheten starter ikke | Strømmen er ikke tilkoblet Motoren er blokert, eller viften møter motstand | Kontroller at strømmen er koblet til enheten og at bryteren er slått på. Alternativt kan du kontrollere at enheten ikke er feil tilkoblet. Sjekk om motoren er blokkert Rengjør viftebladene. Slå på enheten |
Automatisk strømbryter slår seg på | Kortslutning av det elektriske nettverket | Slå av enheten og kontakt forhandleren |
Lav tilluftstemperatur | Filtrene er tilstoppet Den keramiske kjernen er iset opp | Rengjør eller skift ut filtre Kontroller den keramiske kjernen for glasur Slå av apparatet, fjern kjernen og la iskremen smelte. |
Lav luftmengde | Enheten er på laveste innstilling
Filtre, vifte eller keramisk kjerne er tilstoppet | Velg høyere hastighetstrinn
Rengjør eller skift filtre
Rengjør vifte og keramisk kjerne |
Høye lydnivåer eller vibrasjoner | Rense vifte Etterstramme skruer | Rengjør viften
Stram til skruene |
Filteralarmknappen lyser fortsatt etter filterrengjøring/filterbytte | Tilbakestilling av filteralarm er ikke utført i henhold til instruksjonene. | Se avsnittet Vedlikehold |
Enheten kjører for fullt, alle hastighetsdiodene blinker og reagerer ikke på eksterne signaler | Fuktighetskontrollen i DUKA One-enheten er slått på og aktivert | Slå av DUKA One og juster fuktighetsnivået eller slå det av via DIP-bryterinnstillinger. Se avsnittet Innstillinger. |









